We detect you are using an unsupported browser. For the best experience, please visit the site using Chrome, Firefox, Safari, or Edge. X
Maximize Your Experience: Reap the Personalized Advantages by Completing Your Profile to Its Fullest. Update Here
Stay in the loop with the latest from Microchip. Update your profile while you are at it. Update Here
Complete your profile to access more resources. Update Here

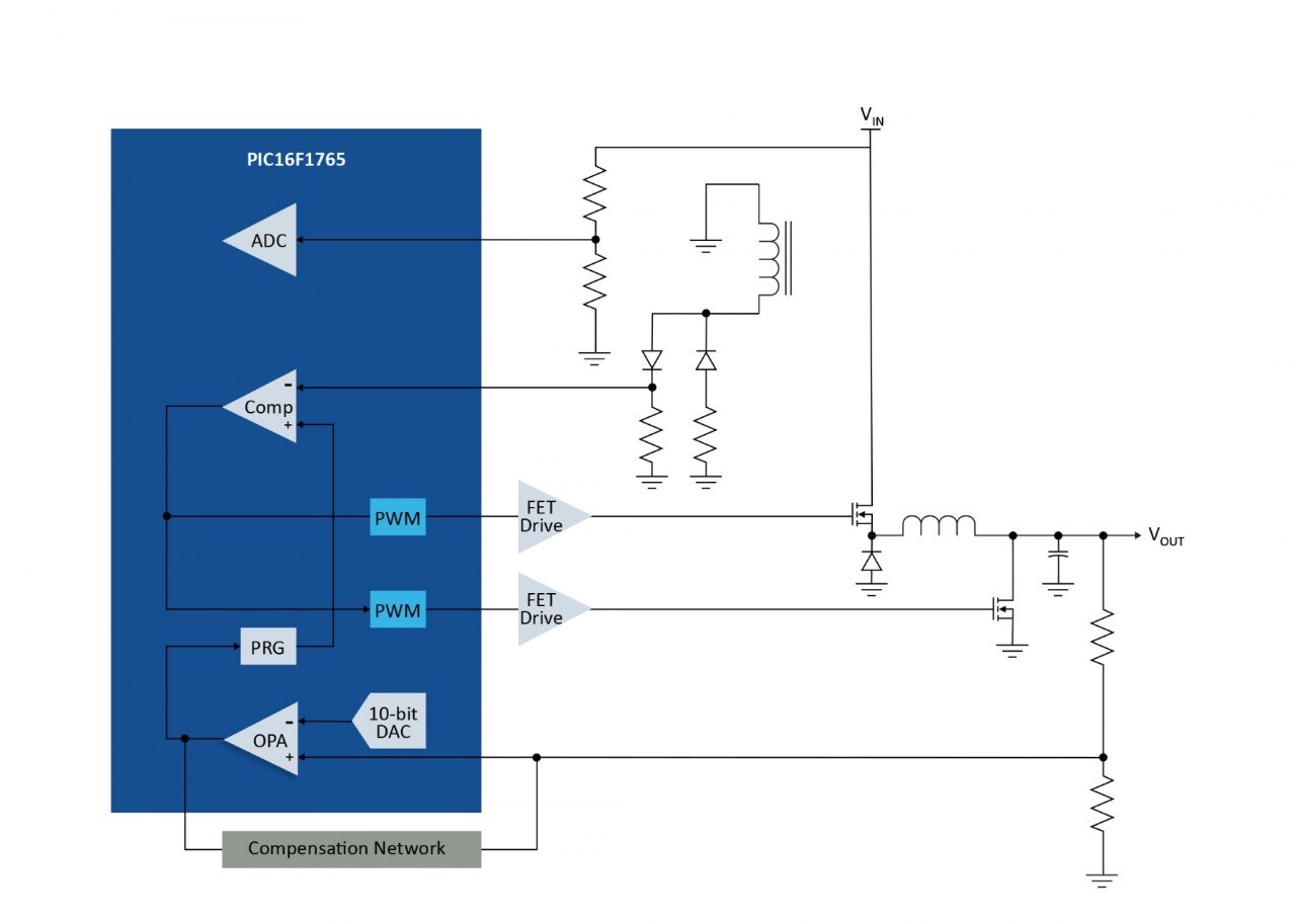
Core Independent Peripheral (CIP) Hybrid Power Controllers

You can efficiently implement an analog control loop with a PIC® microcontroller (MCU) that features the most recent set of Core Independent Peripheral (CIP) blocks that are optimized for power conversion applications. These MCUs implement a hybrid approach to power control by combining the flexibility of analog and digital peripherals that can be configured at runtime to enable the MCU to control a variety of topologies. To provide you with the maximum flexibility in selecting power and voltages, these CIP hybrid power controllers do not include integrated FET drivers.

Since CIPs are designed to operate independently from the core, they free up the Central Processing Unit (CPU) to perform communication and coordination tasks. A single controller can manage up to four independent power conversion stages. This solution is excellent for managing smart solid state lighting, advanced dimming for automotive and building automation, battery charging, multistage power sequencing and smart power applications for the Internet of Things.

Recommended Devices


Our 8-bit PIC16F CIP hybrid power MCUs are suitable for proportion and configuration or topology control. Some devices have multiple Pulse-Width Modulators (PWMs) with peripherals that create complementary output waveforms to drive analog control loops. The built-in op amps, Analog-to-Digital Converters (ADCs) and high-speed comparators can be used to create feedback loops for Peak Current Mode Control (PCMC) and temperature monitoring. The Programmable Ramp Generator and Slope Compensation peripherals automate and simplify output stabilization of Switch-Mode Power Supplies (SMPSs). The most highly integrated of these MCUs feature peripheral support for up to four independent SMPSs, with built-in LED dimming engine functionality. Specialized timers can be employed to monitor for fault conditions. The Configurable Logic Cell (CLC) peripheral can be used to reconfigure feedback loops on the fly as needed within the application. The CIPs operate autonomously and can alter system performance with little or no core intervention. This allows you to put the core to sleep to reduce power consumption. Communication peripherals can be used for remote monitoring and control.

Key Features


  • 8-/10-/16-bit PWMs
  • Complementary Output Generator (COG)/Complementary Waveform Generator (CWG)
  • Op amps, high-speed comparators, 10-/12-bit ADCs, 5-/8-/9-bit Digital-to-Analog Controllers (DACs)
  • Slope Compensation (SC), Programmable Ramp Generator (PRG)
  • Hardware Limit Timer (HLT), 24-bit Signal Measurement Timer (SMT), Zero Cross Detect (ZCD)
  • Communication interfaces: EUSART, SPI, I2C
  • Available in 14–64-pin packages

Core Independent Peripheral Hybrid Power Controllers


Live Chat

Need Help?

Privacy Policy