We detect you are using an unsupported browser. For the best experience, please visit the site using Chrome, Firefox, Safari, or Edge. X
Maximize Your Experience: Reap the Personalized Advantages by Completing Your Profile to Its Fullest. Update Here
Stay in the loop with the latest from Microchip. Update your profile while you are at it. Update Here
Complete your profile to access more resources. Update Here

MSCSM170TLM15CAG

Microchip Chatbot Get quick answers from our AI assistant.
Why wasn't this helpful?
Terms of Use
This chatbot uses AI to provide information about Microchip products and services and is subject to our Website Terms. You are responsible for verifying its output.  By proceeding, you consent to Microchip’s and its authorized service providers’ recording and use of your information.  See our Website Privacy Notice.  We may monitor and record conversations for compliance with our terms and the law and to improve our customer support resources.  But your input and output data are not used to train any AI model used with the chatbot.
AI Enabled CHATBOT
Ask me about 'MSCSM170TLM15CAG-Module'
Status: In Production
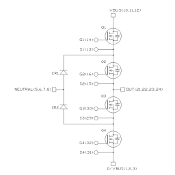
1700V, 11.7 mOhm, SP6C, 3 Level Inverter mSiC® MOSFET Module With SiC Diode

MSCSM170TLM15CAG

Microchip Chatbot Get quick answers from our AI assistant.
Why wasn't this helpful?
Terms of Use
This chatbot uses AI to provide information about Microchip products and services and is subject to our Website Terms. You are responsible for verifying its output.  By proceeding, you consent to Microchip’s and its authorized service providers’ recording and use of your information.  See our Website Privacy Notice.  We may monitor and record conversations for compliance with our terms and the law and to improve our customer support resources.  But your input and output data are not used to train any AI model used with the chatbot.
AI Enabled CHATBOT
Ask me about 'MSCSM170TLM15CAG-Module'
Status: In Production

Overview

    Read more Collapse
    Microsemi-SP6C-3LI-Module.jpg Three-Level-Inverter-SP6C.png

    Images

    Cannot load image!
    Not the part you were looking for?

    Documentation

    Filter by Document Type
    Search Documentation
    Title
    Document Category
    DS Number

    Tools And Software

    Part Number: Quantity: Price per Unit (in USD): Total Amt:

    Design Resources

    Purchase

    Knowledge Base Article