We detect you are using an unsupported browser. For the best experience, please visit the site using Chrome, Firefox, Safari, or Edge. X
Maximize Your Experience: Reap the Personalized Advantages by Completing Your Profile to Its Fullest. Update Here
Stay in the loop with the latest from Microchip. Update your profile while you are at it. Update Here
Complete your profile to access more resources. Update Here

Part Number: EPC91107KIT

5 kW, eGaN Flying Capacitor, Four-Level Totem-Pole Bridgeless PFC

Overview

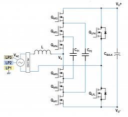
The EPC91107KIT evaluation board, developed in close collaboration with Efficient Power Conversion (EPC) Corporation, is a four-level Flying-Capacitor Multi-Level (FCML) Totem-Pole (TTP) bridgeless Power Factor Correction (PFC) converter power stage evaluation board. This evaluation board meets the Open Compute Project (OCP) M-CRPS and Open Rack v3 (ORv3) standards for Common Redundant Power Supplies (CRPS) units in the latest 33 kW power shelf applications in data center data racks. The EPC91107KIT can draw up to 25 A (RMS) continuous current from the input. The system includes an EMI filter, in-rush current limit startup circuit, housekeeping power supply and our high-performance dsPIC33 Digital Signal Controller (DSC).

The EPC91107KIT includes many critical features for detailed performance evaluation, including measurement of ports and access to critical circuit nodes. It can be extended with the EPC91119 additional boost converter power stage, which is commonly used in data rack applications to extend the hold-up time of the output voltage after AC power loss for > 20 ms at full load.

For more information on hardware, related documentation, design support and purchasing information, please visit the reference design page.

Product Features

  • Input voltage: 190V–274 VAC (305 VAC non-operational)
  • Input current: 25 A (RMS)
  • Power density: 180 W/in³
  • Peak efficiency: > 99%
  • Dimensions: 172 × 70 × 40 mm (including terminals)
  • Input frequency: 45 Hz to 64 Hz
  • Meets OCP M-CRPS input specifications
  • Output voltage: 390–430 VDC (programmable/dynamic)
  • Output current: 15.5A (max.)
  • Constant switching frequency: 140 kHz
  • Main inductor ripple frequency: 420 kHz
  • Full digital control

Applications

  • AI factories and data centers
  • Telecom and 5G power supplies
  • High-power, low-noise audio power supply
epc91107-fcml-pfc.png epc91107-fcml-pfc-top.png 4l-fcml-pfc-circuit.png epc91107-fcml-pfc-piggy.png fcml-pfc-circuit.png switch-waveforms.png

Cannot load image!

Live Chat

Need Help?

Privacy Policy