Utilizes advanced mSiC MOSFET technology for low switching and conduction losses, enabling higher system efficiency and reduced heat generation
Supports operation up to 1700V and high, continuous/pulsed current capability for demanding traction, renewable energy and industrial applications
Package design offers high dielectric strength and creepage distances for safety in high-voltage environments
Silicon nitride (Si₃N₄) or Aluminum Nitride (AlN) substrate options andd optimized case materials provide low thermal resistance and high reliability under harsh conditions
Multiple internal topologies, such as phase leg and dual common source, allow use in inverters, converters and multilevel architectures
An ANPC topology uses clamping devices to maintain the neutral point voltage in multilevel converters. This design reduces switching losses and improves efficiency in high-voltage applications such as renewable energy inverters and traction systems.
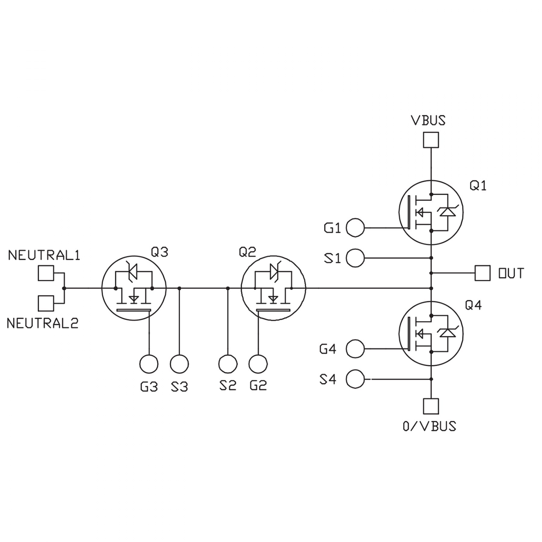
The full-bridge topology consists of four switches arranged to provide bidirectional current flow and full control of AC output. It is widely used in DC-AC inverters, motor drives and high-power conversion systems where flexibility and efficiency are critical.
By integrating multiple switches and diodes into a single package with standardized terminals, these modules reduce board area, simplifies assembly and enhances reliability compared to discrete device implementations.
A phase leg topology combines two switches in a half-bridge arrangement for inverter stages. It supports bidirectional current flow and efficient switching, commonly used in traction drives, industrial motor control and renewable energy systems.
The T-Type topology is a three-level converter design that uses an additional switch to reduce conduction losses and improve efficiency. It is often applied in medium-voltage drives and renewable energy systems where lower harmonic distortion is desired.
This topology divides the DC bus into three voltage levels, reducing voltage stress on devices and improving output waveform quality. It is suitable for high-power applications such as grid-tied inverters and large motor drives.
A triple-phase-leg module integrates three half-bridge legs in one package, enabling compact, three-phase inverter designs. It simplifies assembly and reduces system footprint for traction and industrial applications.
The Vienna rectifier is a three-level unidirectional topology that delivers high efficiency and low harmonic distortion for front-end power conversion in renewable energy systems and EV charging. The triple Vienna rectifier integrates three rectifier stages to offer higher power and three-phase input, enabling compact designs with superior performance in ultra-fast EV chargers and large industrial systems.
Live Chat